علبة فيوزات إلكترونية EcuMaster PMU16 ايسيو ماستر EcuMaster

1,201.73 $

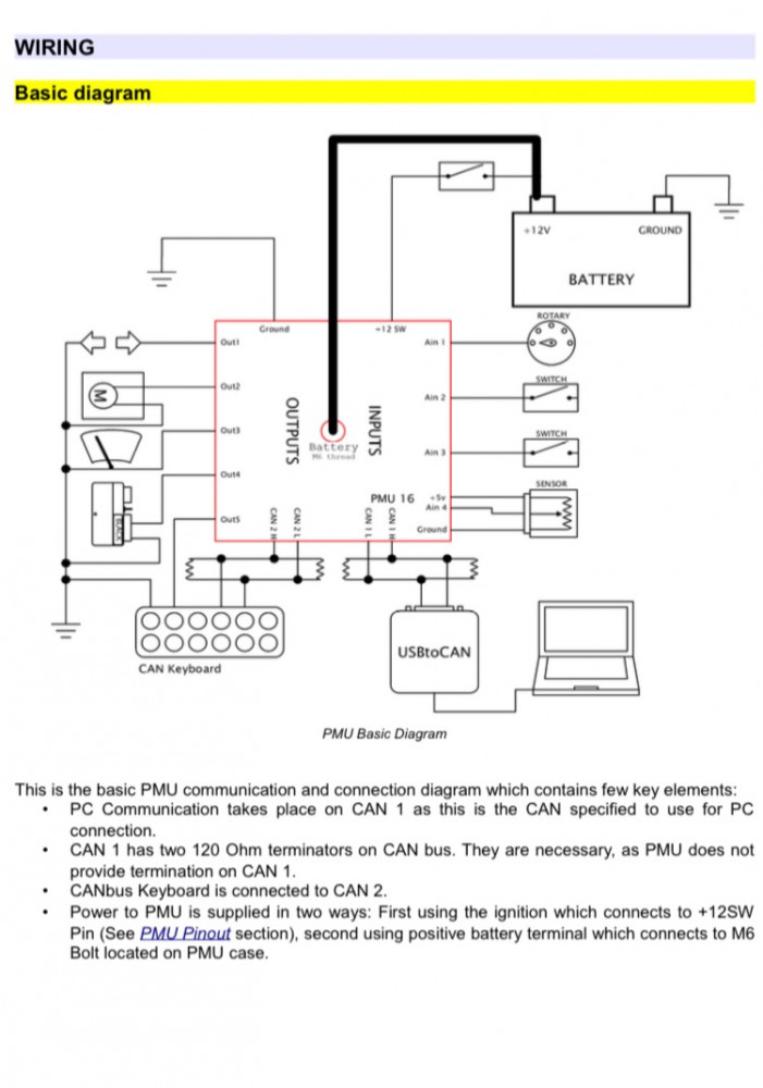
PMU-16

Decades ago, the critical electronic components in a race car were the ignition coil and points. Race cars now feature advanced engine management systems, antilock brake systems, paddle shifters, dataloggers, radios, electric pumps, fans, and lights. All components need to be controlled at the correct moment, and all components require circuit protection to prevent damage or fire.

Traditionally, fuses and relays served all of those purposes, but they have many disadvantages like complicated wiring looms, sensitivity to vibration/temperature, and difficult diagnostics.

All of these problems can be solved by using intelligent power management units (PMUs). Our newly developed PMU unit is at the forefront of technology. It provides 16 high current outputs (and use of multiple units if more outputs are required).


SPECIFICATION

GENERALTemperature rangeAECQ100 GRADE1 (-40 to +125˚C)CPU32 bits automotive, 90MIPSOperating voltage6-22V, immunity to transients according to ISO 7637EnclosureIP 60, bespoke CNC machined aluminiumSize (mm) and weight(g)131x112x32.5, 345gConnectors1 x 39 Automotive connector,1 x M6 stud for battery connection

PC communicationCAN (ECUMASTER USBtoCAN, PEAK CAN, KVASER)OUTPUTSHigh current outputs10 x 25A(cont.), 6 x 15A(cont.) with overcurrent and overheating protection. Outputs may be paired to increase continuous current capability. Current and voltage is measured for each outputTotal current output150A continuousOutput current control step100mAWipers outputDedicated output with wiper braking feature+5VMonitored 5V, 500mA output for powering external sensors.INPUTSAnalog inputs16 inputs, 10 bit resolution, 0-5V (protected), with software selectable 10K Ohm pullup and pulldownsCAN Keypads2 x Ecumaster keypads (4, 6, 8, 12 keys)OTHEROutput state indication16 bicolour LEDsAccelerometer/Gyroscope3D accelerometer with 3D gyroscope for logging and crash detectionReal time clockYes, super capacitor for backup power (up to 3 days)CAN BUSCAN interface2 x CAN2.0 A/BCAN standardCAN2.0 A/B – 125, 250, 500, 1000 kbpsInput/output streamUser defined with bit masking,up to 100 input messages

LOGGING*Logging memory256 MbytesLogging speedVariable, defined per channel, up to 500HzFUNCTIONSLogical operationsAND, OR, NOT, XOR, >, <, =, >=, <=, !=, isTrue, isFalse, Toggle, Flash, PulseNumber of functions100Number of operations250Update frequency500HzSpecial functionsWipers, Indicators

 

تفاصيل المنتج
  • رقم الموديل
    626615130
  • 1,201.73 $
نفدت الكمية
المنتج غير متوفر حاليا

لا توجد أسئلة بعد

منتجات قد تعجبك